

主要用途
WLW-2400B型往复立式无油真空泵采用双曲拐双缸、整体机身、连体气缸结构,该结构紧凑、真空度高、运行可靠、维护方便。该产品广泛适用于石油、化工、制药、冶金等领域的真空输送、提炼、蒸馏、浓缩、干燥、气体解析、尾气回收等工艺。
产品特点
(1)真空泵采用H型结构,真空度高,运行平稳,振动小。整机安装为立式,平衡轮位于真空泵外侧。(该真空泵已申请专利,专利号:ZL 2018 2 0419812.3)
(2)真空泵采用防爆电机+减速机+真空泵主机,通过双膜片联轴器连接驱动(该连接方式的真空泵已申请专利,专利号:ZL 2018 2 0418577.8)。
(3)真空泵、电机、减速机采用公用底座,并满足真空泵平稳运转要求。
(4)十字头、活塞杆、活塞、活塞环等运动部件无偏磨,使用寿命长。
(5)填料箱、气缸为一体式结构(专利号:ZL201220037699.5),冷却水空间大;进、排气气阀布置在气缸周围和气缸盖上,检测和维修方便。
(6)进、排气风管布置在气缸中间,保证进排气畅通,提高了通气效率,降低了电机功率消耗,杜绝了排气高温向机身传递,降低了排气口和机体的温度。
(7)气缸填料采用多级填料密封及充氮(或原料气)保护装置,避免工况气体泄漏;机身填料采用多级填料密封及充氮保护装置,避免油气上窜,进入缸体污染工况气体。
(8)机身和隔腔为一体式结构(专利号:ZL201220037699.5),机体有足够的钢度,机身上设有可靠的通气孔。
(9)曲轴整体铸造,使用更可靠。
(10)加设开机辅助油泵,减少运转中的部件磨损。
规格参数
型号 | WLW-2400B | 抽气速率 | 8640m3/h(2400L/S) |
极限真空度 | 2000Pa(A) | 转速 | 265r.p.m |
活塞行程 | 270mm | 气缸直径 | 800mm |
冷却水通径 | DN32 | 进气通径 | DN450 |
排气温度 | ≤120℃ | 排气通径 | DN450 |
振动值 | ≤12mm/s | 电机功率 | 220KW |
整机重量 | 16000kg | 噪音 | ≤85dB |
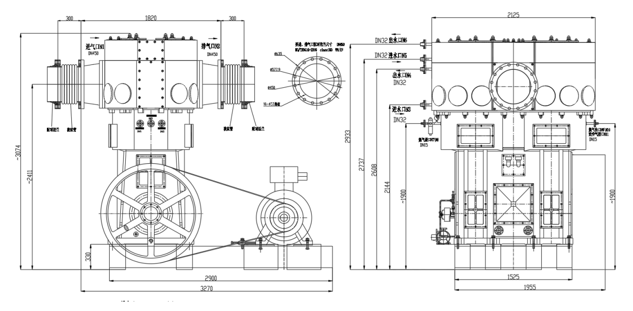
直连结构外形图

直连结构地基图

皮带传动外形图

性能曲线图

© 泰兴市泰德立通用机械制造有限公司 版权所有备案号:苏ICP备2025216620号