

主要用途
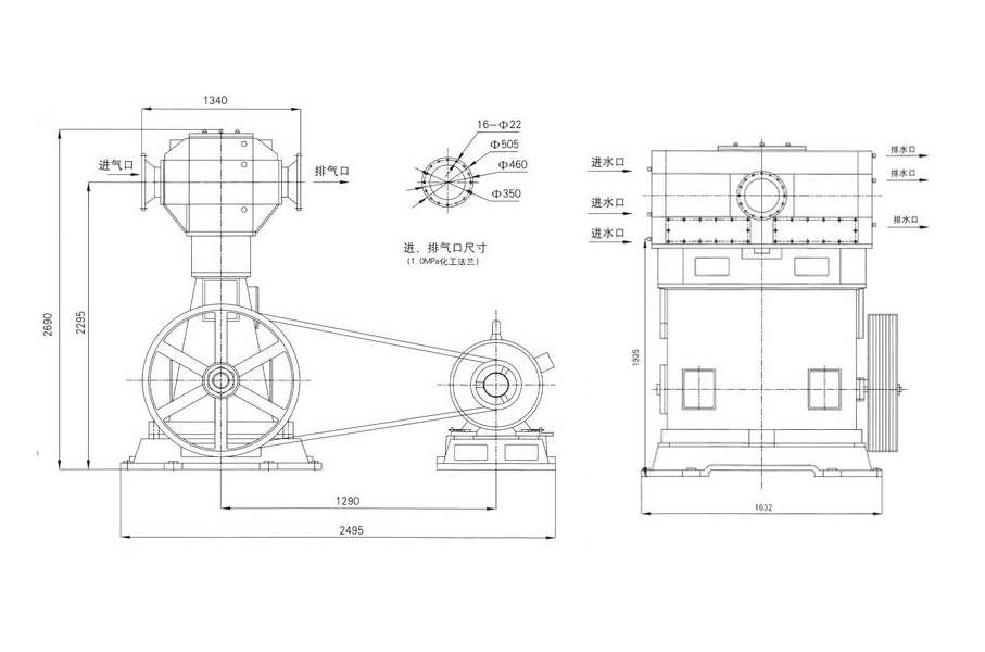
WLW-1200B型往复立式无油真空泵, 采用双曲轨双缸结构, 该结构紧凑、可靠性高、外观宜人。该产品适用于石油、化工、制药、冶金等领域的真空输送、提料、蒸馏、浓缩、变压吸附、干燥等场合。
产品特点
1、气缸采用双缸结构,平行布置,整机运行振动小,抽气过程连续,脉冲小;
2、连杆大头轴瓦和小头轴瓦为强制油润滑, 润滑油的压力为0.2-0.5MPa, 使大头轴瓦和小头轴瓦能得到充分润滑;
3、十字头采用铸钢材质,并在滑动表面浇铸巴氏合金,确保长期运转后机身滑道不磨损,降低了整机的运行成本;
4、活塞杆与活塞、活塞杆与接杆、接杆与十字头采用可靠防松装置,确保长期运行后,连接无松动;5、活塞环采用填充四氟件,能获得清洁真空,有利于尾气回收。


© 泰兴市泰德立通用机械制造有限公司 版权所有备案号:苏ICP备2025216620号